Hoy vamos a trabajar como dibujar las vistas partiendo de un dibujo o perspectiva isométrica.
Estos ejercicios suelen tener 3 partes:
- Aplicar las escalas , para obtener las medidas reales (para acotar) y la medida de las vistas (para dibujar las vistas)
- Dibujar las vistas con las medidas de las vistas
- Acotar las vistas con las medidas reales
- Aplicar las escalas
Es importante recordar que si partimos de un dibujo isométrico no hay que aplicar el coeficiente de reducción , pero si partimos de una perspectiva isométrica si hay que aplicarlo, que en esta ocasió aumentará el tamaño de las medidas. (Te lo dicen en el enunciado)
Normalmente en el enunciado vendrá una escala isométrica, con la que obtendremos la medida real, y una escala para las vistas, con la que las dibujaremos, siguiendo el mismo procedimiento que usamos para dibujar en isométrico.
En la práctica, dadas una escala isometrica y una escalas de vistas, podemos calcular las medidas de las vistas con la siguiente operación:
Medida de las vistas = [(Escala vistas)/(Escala Isomet)] x (Medida isometrica : coeficiente)
Medida realidad = Medida isométrica x 1/(Escala isomet)
Ejemplo:
la arista isométrica a dibujar mide 6 cm
la escala isometrica es 3:2
Hay que dibujar las vistas a 2:1
Med. vistas = [ (2/1):(3/2) ] x 6 = (2x2 / 3x1) x 6 = 24/3 = 8cm
En las vistas medirá 8cm
En la realidad medirá(lo que usaremos para acotar) = 4cm ( 6x2/3)
En ambos casos habría que multiplicar por 5/4 (o dividir por 0.816) para aplicar el coeficiente (aumentará la medida que está reducida en isométrico)
- Dibujar las vistas
Entiendo que a estas alturas ya sabemos dibujar las
vistas de una pieza, pero podéis repasar el punto 3 de los apuntes,
Representación normalizada de objetos (pag 114)
Recuerda que el "sistema del primer diedro" es el que hemos usado siempre
- Acotar las vistas
Aquí tenéis una guía de acotación con las normas básicas, debéis leerlas, y mirarlas al hacer las primeras láminas.
Y resuerda estos dos detalles que llevan muchas veces a error ....
- No olvides que debes poner las medidas reales, no la que midan las vistas.
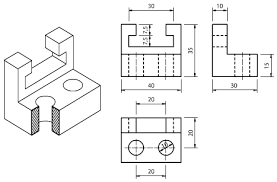
Por ejemplo, esta pieza según la escala usada para las vistas tendrá un tamaño u otro, pero sus cotas serán las mismas siempre (las medidas reales)
- Recuerda que no hay que sobreacotar (poner medidas repetidas) , así que si algo ya ha quedado medido en el alzado no hace falta medirlo en el perfil.
Mirar en este ejemplo, la medida de la profundidad de la pieza (30) está sobreacotada, está acotada en la planta y el perfil ....
Creo que con esto ya seréis capaces de hacer las siguientes láminas:
126, 127, 128, 129, 130, 131 y 132


No hay comentarios:
Publicar un comentario